千亿国际

千亿·国际(中国)唯一官方网站 千亿·国际(中国)唯一官方网站
千亿·国际(中国)唯一官方网站

OA

千亿·国际(中国)唯一官方网站 千亿·国际(中国)唯一官方网站
千亿·国际(中国)唯一官方网站 千亿·国际(中国)唯一官方网站

CN / EN

  • b2banner.jpg b2bannerph.jpg
    b2banner1.svg

    千亿国际循环提取退役电池中可再使用的金属、非金属和其他高分子质料资源,
    制备能量密度高、循环寿命长、性价比高、加工性能好的电池质料产品。

千亿·国际(中国)唯一官方网站 zhengjicailiao.svg

正极质料

  • 千亿·国际(中国)唯一官方网站 linsuantie-732.svg

    磷酸铁锂

  • 千亿·国际(中国)唯一官方网站 niemengsuan-325.svg

    镍钴锰酸锂

  • 千亿·国际(中国)唯一官方网站 suan-776.svg

    钴酸锂

  • 千亿·国际(中国)唯一官方网站 fumengji.svg

    富锂锰基

  • 再生磷酸铁锂

  • 二代磷酸铁锂

  • 三代磷酸铁锂

  • 再生磷酸铁锂

    再生磷酸铁锂具备诸多优点,已成为目今热门的锂电池正极质料产品。 千亿国际循环接纳高温固相法对放弃磷酸铁锂举行再生,生产的再生磷酸铁锂产品具备高压实、高容量、平台稳固等特点。产品能量密度高、稳固性强、质料本钱低,同时极洪流平响应了国家情形掩护政策。接纳再生废旧磷酸铁锂,镌汰电池污染对情形造成的危害;镌汰粉末制备流程,实现资源节约的同时创立更高经济价值。

    • 千亿·国际(中国)唯一官方网站 高压实.svg

      高压实

    • 千亿·国际(中国)唯一官方网站 高容量.svg

      高容量

    • 千亿·国际(中国)唯一官方网站 平台稳固.svg

      平台稳固

    • 千亿·国际(中国)唯一官方网站 质料本钱低.svg

      质料本钱低

    千亿·国际(中国)唯一官方网站 15-5000.jpg
    • 50000 x

    • ≥2.35

      压实密度-3T (g/cm3

    • <60.0

      粉末电阻率 (Ω?cm)

    • 0.6-1.6

      Dv50 (μm)

    • >157

      0.1C首圈充电克容量 (mAh/g)

    • >150

      0.1C首圈放电克容量 (mAh/g)

    • >126

      1C首圈放电克容量 (mAh/g)

    手艺图表

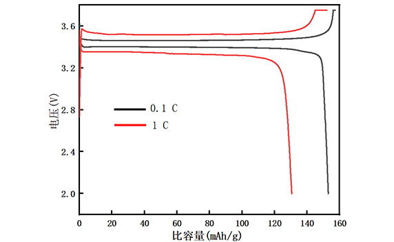
    • 千亿·国际(中国)唯一官方网站 15-1.jpg
      千亿·国际(中国)唯一官方网站

      充放电曲线图

    • 千亿·国际(中国)唯一官方网站 15-2.jpg
      千亿·国际(中国)唯一官方网站

      粒度漫衍图

  • 二代磷酸铁锂

    磷酸铁锂是目今热门的锂电池正极质料产品。 千亿国际循环接纳磷铁合成磷酸铁,并围绕颗粒纳米化、碳包覆优化等偏向举行立异性研发与刷新,生产的二代磷酸铁锂产品高压实、高容量、平台稳固。本产品具备克容量高、能量密度高、清静性强、情形友好、质料本钱低廉在内的诸多优点,在知足高续航里程的同时还可兼顾本钱控制需求。

    • 千亿·国际(中国)唯一官方网站 高压实.svg

      克容量高

    • 千亿·国际(中国)唯一官方网站 高容量.svg

      能量密度高

    • 千亿·国际(中国)唯一官方网站 平台稳固.svg

      清静性强

    • 千亿·国际(中国)唯一官方网站 情形友好.svg

      情形友好

    • 千亿·国际(中国)唯一官方网站 质料本钱低.svg

      质料本钱低

    千亿·国际(中国)唯一官方网站 16-50000.jpg
    千亿·国际(中国)唯一官方网站 16-20000.jpg
    • 50000 x

    • 20000 x

    • ≥2.38

      压实密度-3T (g/cm3

    • <60.0

      粉末电阻率 (Ω?cm)

    • 0.7~1.7

      Dv50 (μm)

    • >160

      0.1C首圈充电克容量 (mAh/g)

    • >156

      0.1C首圈放电克容量 (mAh/g)

    • >138

      1C首圈放电克容量 (mAh/g)

    手艺图表

    • 千亿·国际(中国)唯一官方网站 16-1.jpg
      千亿·国际(中国)唯一官方网站

      充放电曲线图

    • 千亿·国际(中国)唯一官方网站 16-2.jpg
      千亿·国际(中国)唯一官方网站

      粒度图

  • 三代磷酸铁锂

    磷酸铁锂是目今热门的锂电池正极质料产品。 千亿国际循环接纳湿法合成磷酸铁,并进一步通过碳包覆、元素掺杂、颗粒尺寸优化等方法合成三代磷酸铁锂。本产品具有高压实、高清静性、高稳固性的典范特征,具备循环寿命长、清静性高、绿色环保、质料泉源普遍且本钱低廉在内的多重优势。

    • 千亿·国际(中国)唯一官方网站 b2icon01.svg

      循环寿命长

    • 千亿·国际(中国)唯一官方网站 清静性强.svg

      清静性高

    • 千亿·国际(中国)唯一官方网站 绿色环保.svg

      绿色环保

    • 千亿·国际(中国)唯一官方网站 质料泉源普遍.svg

      质料泉源普遍

    千亿·国际(中国)唯一官方网站 17-50000.jpg
    千亿·国际(中国)唯一官方网站 17-20000.jpg
    千亿·国际(中国)唯一官方网站 17-10000.jpg
    • 50000 x

    • 20000 x

    • 10000 x

    • ≥2.48

      压实密度-3T (g/cm3)

    • <60.0

      粉末电阻率 (Ω?cm)

    • 0.7~1.7

      Dv50 (μm)

    • 159.0~165.0

      0.1C首圈充电克容量 (mAh/g)

    • 155.0~161.0

      0.1C首圈放电克容量 (mAh/g)

    • >128

      1C首圈放电克容量 (mAh/g)

    手艺图表

    • 千亿·国际(中国)唯一官方网站 17-1.jpg
      千亿·国际(中国)唯一官方网站

      充放电容量

    • 千亿·国际(中国)唯一官方网站 17-2.jpg
      千亿·国际(中国)唯一官方网站

      粒度图

  • LL5503

  • LL5525

  • LL6007

  • LL6510

  • LL8203

  • LL8313

  • LL9203

  • LL9403

  • LL5503

    LL5503应用于4.35V电压,是最早应用于车用动力电池场景的锂离子电池要害正极质料之一。LL5503循环寿命长、能量密度高、清静性强、高电压、热稳固性强、性价比高。是千亿国际循环在第一代低钴质料基础上,进一步控制钴含量开创的第二代低钴单晶质料产品,显着降低质料本钱,并在全行业率先实现量产,成为“低钴质料性价比之王”,现被普遍应用于动力交通领域。

    • 千亿·国际(中国)唯一官方网站 b2_icon01.svg

      循环寿命长

    • 千亿·国际(中国)唯一官方网站 能量密度高.svg

      能量密度高

    • 千亿·国际(中国)唯一官方网站 清静性强.svg

      清静性强

    • 千亿·国际(中国)唯一官方网站 高电压-2.svg

      高电压

    • 千亿·国际(中国)唯一官方网站 热稳固性强.svg

      热稳固性强

    • 千亿·国际(中国)唯一官方网站 性价比高.svg

      性价比高

    千亿·国际(中国)唯一官方网站 18-10000.jpg
    • 10000 x

    • 3.60-4.60

      D50(μm)

    • 0.50-0.78

      BET(m2/g)

    • 32.70-33.90

      Ni(wt%)

    • 6.80-8.00

      Co(wt%)

    • 17.90-19.10

      Mn(wt%)

    • 177.0-182.0

      首次放电比容量(mAh/g)(2.8-4.35 V,0.1C)

    手艺图表

    • 千亿·国际(中国)唯一官方网站 18-1.jpg
      千亿·国际(中国)唯一官方网站

      充放电曲线图

    • 千亿·国际(中国)唯一官方网站 18-2.jpg
      千亿·国际(中国)唯一官方网站

      粒度漫衍图

    • 千亿·国际(中国)唯一官方网站 18-3.jpg
      千亿·国际(中国)唯一官方网站

      循环性能图

  • LL5525

    LL5525是在千亿国际极致低钴第三代低钴单晶LL5515质料基础上的又一立异产品,倾覆性解决了的低钴系统下的DCR问题,较上一代质料DCR与循环性能均有显着提升,可应用于4.35V/4.4V事情电压下。该产品具备循环寿命长、高能量密度、高清静性、高电压、热稳固性强、高性价比环保等维度典范优势。目今,该项产品已被普遍应用于动力交通领域,是制作新能源汽车电池包的主要质料。

    • 千亿·国际(中国)唯一官方网站 b2_icon01.svg

      循环寿命长

    • 千亿·国际(中国)唯一官方网站 能量密度高.svg

      能量密度高

    • 千亿·国际(中国)唯一官方网站 清静性强.svg

      清静性强

    • 千亿·国际(中国)唯一官方网站 高电压-2.svg

      高电压

    • 千亿·国际(中国)唯一官方网站 热稳固性强.svg

      热稳固性强

    • 千亿·国际(中国)唯一官方网站 性价比高.svg

      性价比高

    千亿·国际(中国)唯一官方网站 LL5525.jpg
    • 10000 x

    • 3.80-4.60

      D50(μm)

    • 0.68-0.92

      BET(m2/g)

    • 32.80-34.20

      Ni(wt%)

    • 3.35-4.05

      Co(wt%)

    • 21.00-22.50

      Mn(wt%)

    • 183.0-189.0

      首次放电比容量(mAh/g)(2.8-4.5 V,0.1C)

    手艺图表

    • 千亿·国际(中国)唯一官方网站 LL5525-3.png
      千亿·国际(中国)唯一官方网站

      充放电曲线图

    • 千亿·国际(中国)唯一官方网站 ll5525-2.png
      千亿·国际(中国)唯一官方网站

      粒度漫衍图

    • 千亿·国际(中国)唯一官方网站 LL5525-1.png
      千亿·国际(中国)唯一官方网站

      循环性能图

  • LL6007

    LL6007应用于4.4V电压,是在4.35V高电压三元正极质料基础上的进一步升级。千亿国际循环通过特殊掺杂工艺,乐成实现了高电压下质料结构稳固。LL6007循环寿命长、能量密度高、清静性好、高电压、热稳固性强、性价比高,现已普遍应用于动力交通领域,是制作新能源汽车电池的主要质料。

    • 千亿·国际(中国)唯一官方网站 b2_icon01.svg

      循环寿命长

    • 千亿·国际(中国)唯一官方网站 能量密度高.svg

      能量密度高

    • 千亿·国际(中国)唯一官方网站 清静性强.svg

      清静性强

    • 千亿·国际(中国)唯一官方网站 高电压-2.svg

      高电压

    • 千亿·国际(中国)唯一官方网站 热稳固性强.svg

      热稳固性强

    • 千亿·国际(中国)唯一官方网站 性价比高.svg

      性价比高

    千亿·国际(中国)唯一官方网站 19-10000.jpg
    • 10000 x

    • 3.50-4.50

      D50(μm)

    • 0.62-0.81

      BET(m2/g)

    • 35.00-38.40

      Ni(wt%)

    • 2.75-3.30

      Co(wt%)

    • 18.30-20.70

      Mn(wt%)

    • 193.5-196.5

      首次放电比容量(mAh/g)(2.8-4.45 V,0.1C)

    手艺图表

    • 千亿·国际(中国)唯一官方网站 19-1.jpg
      千亿·国际(中国)唯一官方网站

      充放电曲线图

    • 千亿·国际(中国)唯一官方网站 19-2.jpg
      千亿·国际(中国)唯一官方网站

      粒度漫衍图

    • 千亿·国际(中国)唯一官方网站 19-3.jpg
      千亿·国际(中国)唯一官方网站

      循环性能图

  • LL6510

    LL6510是一款4.35V高电压三元正极质料,接纳碳酸锂工艺。产品立异性接纳以锂盐原质料价钱波动为参考的工艺无邪切换模式,通过领先工艺和模式立异疏解原质料市场价钱波动危害。 LL6510循环寿命长、能量密度高、清静性强、高电压、热稳固性强、性价比高、情形友好,已被普遍应用于动力交通领域,是制作新能源汽车电池的主要质料。

    • 千亿·国际(中国)唯一官方网站 b2_icon01.svg

      循环寿命长

    • 千亿·国际(中国)唯一官方网站 b2_icon02.svg

      能量密度高

    • 千亿·国际(中国)唯一官方网站 清静性强.svg

      清静性强

    • 千亿·国际(中国)唯一官方网站 高电压-2.svg

      高电压

    • 千亿·国际(中国)唯一官方网站 热稳固性强.svg

      热稳固性强

    • 千亿·国际(中国)唯一官方网站 性价比高.svg

      性价比高

    千亿·国际(中国)唯一官方网站 20-10000.jpg
    • 3.40-4.10

      D50(μm)

    • 0.83-1.12

      BET(m2/g)

    • 37.65-40.80

      Ni(wt%)

    • 3.80-4.60

      Co(wt%)

    • 14.8-16.4

      Mn(wt%)

    • 188.0-193.0

      首次放电比容量(mAh/g)(2.8-4.35 V,0.1C)

    手艺图表

    • 千亿·国际(中国)唯一官方网站 20-1.jpg
      千亿·国际(中国)唯一官方网站

      充放电图

    • 千亿·国际(中国)唯一官方网站 20-2.jpg
      千亿·国际(中国)唯一官方网站

      粒度图

    • 千亿·国际(中国)唯一官方网站 20-3.jpg
      千亿·国际(中国)唯一官方网站

      循环性能图

  • LL8203

    LL8203是第二代8系多晶质料,接纳二烧工艺,并立异性使用超长窑炉工艺,推动超长窑炉手艺实现行业突破,引领行业生产工艺立异性厘革。 LL8203是一款具有超高能量密度、超高循环稳固性的正极质料,清静性切合各项标准,现在主要应用于长续航新能源汽车交通动力领域,供应CATL等高端电池厂商。

    • 千亿·国际(中国)唯一官方网站 能量密度高.svg

      超高能量密度

    • 千亿·国际(中国)唯一官方网站 超高循环稳固性.svg

      超高循环稳固性

    • 千亿·国际(中国)唯一官方网站 清静性强.svg

      清静性强

    千亿·国际(中国)唯一官方网站 21-10000.jpg
    • 10000 x

    • 9.00-10.50

      D50( μm)

    • 0.35-0.65

      BET(m2/g)

    • 47.90-49.50

      Ni (wt%)

    • 6.60-7.40

      Co (wt%)

    • 2.95-3.58

      Mn(wt%)

    • 206.0-211.0

      首次放电比容量(mAh/g)(2.8-4.25V,0.1C)

    手艺图表

    • 千亿·国际(中国)唯一官方网站 21-1.jpg
      千亿·国际(中国)唯一官方网站

    • 千亿·国际(中国)唯一官方网站 21-2.jpg
      千亿·国际(中国)唯一官方网站

    • 千亿·国际(中国)唯一官方网站 21-3.jpg
      千亿·国际(中国)唯一官方网站

  • LL8313

    LL8313是一款极致性价比三元正极质料。通过对证料中钴含量的细密控制和降低,极洪流平镌汰了质料生产本钱,为客户本钱控制一连赋能。 LL8313是一款具有超高能量密度、压实密度和循环稳固性的正极质料,清静性切合标准。现在主要应用于长续航新能源汽车交通动力领域。

    • 千亿·国际(中国)唯一官方网站 性价比高.svg

      极致性价比

    • 千亿·国际(中国)唯一官方网站 能量密度高.svg

      超高能量密度

    • 千亿·国际(中国)唯一官方网站 循环.svg

      超高压实密度

    • 千亿·国际(中国)唯一官方网站 超高循环稳固性.svg

      超高循环稳固性

    千亿·国际(中国)唯一官方网站 22-10000.jpg
    • 10000 x

    • 9.05-11.70

      D50( μm)

    • 0.37-0.67

      BET(m2/g)

    • 48.1-50.50

      Ni (wt%)

    • 3.15-3.95

      Co (wt%)

    • 5.40-6.30

      Mn(wt%)

    • 205.3-209.8

      首次放电比容量(mAh/g)(2.8-4.25V,0.1C)

    手艺图表

    • 千亿·国际(中国)唯一官方网站 22-1.jpg
      千亿·国际(中国)唯一官方网站

      充放电图

    • 千亿·国际(中国)唯一官方网站 22-2.jpg
      千亿·国际(中国)唯一官方网站

      粒度图

    • 千亿·国际(中国)唯一官方网站 22-3.jpg
      千亿·国际(中国)唯一官方网站

      循环图

  • LL9203

    LL9203是一款超高镍多晶三元正极质料产品。历经多年研发,拥有超高能量密度,高温循环超1200周。 本产品通过包覆和回火手段精准控制外貌残碱同时形成稳固界面,实现高容量的同时包管了循环、存储和产气性能。更通过粒度漫衍优化,在8系基础上进一步提升质料压实密度,产品质量能量密度和体积能量密度都有显着提升。现在主要用于高端或长续航新能源车型中。

    • 千亿·国际(中国)唯一官方网站 b2_icon02.svg

      超高能量密度

    • 千亿·国际(中国)唯一官方网站 高温循环超1200周.svg

      高温循环超1200周

    千亿·国际(中国)唯一官方网站 23-10000.jpg
    • 10000 x

    • 9.0-11.0

      D50(μm)

    • 0.20-0.40

      BET(m2/g)

    • 53.0-54.3

      Ni(wt%)

    • 3.85-4.65

      Co(wt%)

    • 0.55-1.10

      Mn(wt%)

    • ≥227.0

      首次放电比容量(mAh/g)(2.8-4.3V,0.1C)

    手艺图表

    • 千亿·国际(中国)唯一官方网站 23-1.jpg
      千亿·国际(中国)唯一官方网站

      充放电曲线图

    • 千亿·国际(中国)唯一官方网站 23-2.jpg
      千亿·国际(中国)唯一官方网站

      粒度图

    • 千亿·国际(中国)唯一官方网站 23-3.jpg
      千亿·国际(中国)唯一官方网站

      循环曲线图

  • LL9403

    LL9403是一款超高镍多晶三元正极质料。 通过高熵掺杂爆发强钉扎效应优化质料结构稳固性,通过外貌原位合成高离子电导率电解质优化质料界面稳固性,通过低损伤水洗去除外貌剩余锂,包管质料结构不被破损的条件下进一步电芯清静性和界面稳固性。千亿国际循环立异生产工艺,使得LL9403的质量和体积能量密度以及产气性能体现突出的同时,循环、存储性也能一连坚持优异。本产品现在主要用于高端或长续航新能源车型中。

    • 千亿·国际(中国)唯一官方网站 能量密度高.svg

      能量密度优异

    • 千亿·国际(中国)唯一官方网站 超高循环稳固性.svg

      产气性能突出

    • 千亿·国际(中国)唯一官方网站 存储性也能一连坚持优异.svg

      存储性能优异

    • 千亿·国际(中国)唯一官方网站 循环性能(优异).svg

      循环性能优异

    千亿·国际(中国)唯一官方网站 24-10000.jpg
    • 10000 x

    • ≥3.6

      D50(μm)

    • 0.40-0.65

      BET(m2/g)

    • 54.2-55.8

      Ni(wt%)

    • 3.0-3.5

      Co(wt%)

    • 0.4-0.8

      Mn(wt%)

    • ≥228.3

      首次放电比容量(mAh/g)(2.8-4.3V,0.1C)

    手艺图表

    • 千亿·国际(中国)唯一官方网站 24-1.jpg
      千亿·国际(中国)唯一官方网站

      充放电曲线图

    • 千亿·国际(中国)唯一官方网站 24-2.jpg
      千亿·国际(中国)唯一官方网站

      粒度图

    • 千亿·国际(中国)唯一官方网站 24-3.jpg
      千亿·国际(中国)唯一官方网站

      循环曲线图

  • HC4801

  • HC5001

  • HC4801

    HC4801是千亿国际循环自主研发的钴酸锂正极质料产品,具备高容量、高压实密度的典范特征,高能量密度、高电压的显着优势,现普遍应用于3C领域。

    • 千亿·国际(中国)唯一官方网站 高容量.svg

      高容量

    • 千亿·国际(中国)唯一官方网站 高振实密度.svg

      高压实密度

    • 千亿·国际(中国)唯一官方网站 能量密度高.svg

      高能量密度

    • 千亿·国际(中国)唯一官方网站 高电压-2.svg

      高电压

    千亿·国际(中国)唯一官方网站 25-10000.jpg
    • 1000 x

    • 15.2~16.2

      Dv50(μm)

    • 0.17~0.22

      BET(cm2/g)

    • 58.5~59.5

      Co(wt%)

    • ≥200

      充电比容量(mAh/g)(4.53V,0.1C)

    • ≥188.5

      放电比容量(mAh/g)(4.53V,0.1C)

    手艺图表

    • 千亿·国际(中国)唯一官方网站 25-1.jpg
      千亿·国际(中国)唯一官方网站

      充放电图

    • 千亿·国际(中国)唯一官方网站 25-2.jpg
      千亿·国际(中国)唯一官方网站

      粒度图

  • HC5001

    HC5001是千亿国际循环自主研发的高压钴酸锂正极质料产品,具备高容量、高压实密度的典范特征,高能量密度、高电压等优势显着,可知足高能量密度需求,现普遍应用于3C领域。

    • 千亿·国际(中国)唯一官方网站 高容量.svg

      高容量

    • 千亿·国际(中国)唯一官方网站 高振实密度.svg

      高压实密度

    • 千亿·国际(中国)唯一官方网站 能量密度高.svg

      高能量密度

    • 千亿·国际(中国)唯一官方网站 高电压-2.svg

      高电压

    千亿·国际(中国)唯一官方网站 26-1000.jpg
    • 1000 x

    • 15.5~16.5

      Dv50(μm)

    • 0.17~0.22

      BET(cm2/g)

    • 58.5~59.5

      Co(wt%)

    • ≥204

      充电比容量(mAh/g)(4.55V,0.1C)

    • ≥194.0

      放电比容量(mAh/g)(4.55V,0.1C)

    手艺图表

    • 千亿·国际(中国)唯一官方网站 26-1.jpg
      千亿·国际(中国)唯一官方网站

      充放电图

    • 千亿·国际(中国)唯一官方网站 26-2.jpg
      千亿·国际(中国)唯一官方网站

      粒度图

  • LL3503

  • LL3503

    LL3503是一款富锂高锰低镍的正极质料产品。由千亿国际循环自前驱体端启动自主研发,产品具备高容量、高压密的典范特征,以及高能量密度、高电压、高性价比在内的多维度优势,可同时兼顾高续航里程和低本钱的需求,是正极质料领域一款极具潜力的产品。

    • 千亿·国际(中国)唯一官方网站 能量密度高.svg

      高能量密度

    • 千亿·国际(中国)唯一官方网站 高电压-2.svg

      高电压

    • 千亿·国际(中国)唯一官方网站 性价比高.svg

      高性价比

    千亿·国际(中国)唯一官方网站 27-10000.jpg
    • 10000 x

    • 6~8

      Dv50(μm)

    • <2

      BET(m2/g)

    • 58.5~59.5

      Co(wt)%

    • ≥230

      放电比容量(0.1C)(mAh/g)

    • ≥225

      放电比容量(0.33C)(mAh/g)

    手艺图表

    • 千亿·国际(中国)唯一官方网站 27-1.jpg
      千亿·国际(中国)唯一官方网站

      充放电曲线图

    • 千亿·国际(中国)唯一官方网站 27-2.jpg
      千亿·国际(中国)唯一官方网站

      粒度漫衍图

千亿·国际(中国)唯一官方网站 fujicailiao.svg

负极质料

  • 千亿·国际(中国)唯一官方网站 zaishengshimo.svg

    钠电负极

  • 千亿·国际(中国)唯一官方网站 guitanfuji.svg

    硅碳负极

  • SA0101

  • SA0101

    SA0101是现在市场中为数未几的可以同时实现高容量、高首效的硬碳产品。千亿国际循环精准调控产品孔道结构,实现高储钠容量,产品同时还具备高首次库伦效率和低本钱在内的诸多优势,可知足客户对钠离子电池负极质料本钱与性能方面的多重需求。

    • 千亿·国际(中国)唯一官方网站 高容量.svg

      高容量

    • 千亿·国际(中国)唯一官方网站 高首效.svg

      高首效

    • 千亿·国际(中国)唯一官方网站 质料本钱低.svg

      低本钱

    千亿·国际(中国)唯一官方网站 4-2500.jpg
    • 2500 x

    • 4~6

      Dv50(μm)

    • <5

      BET(m2/g)

    • >0.6

      TD(g/cm3)

    • 0.37-0.42

      层间距(nm)

    • ≥320

      充电比容量(mAh/g)

    手艺图表

    • 千亿·国际(中国)唯一官方网站 4-1.jpg
      千亿·国际(中国)唯一官方网站

      电化学性能图

    • 千亿·国际(中国)唯一官方网站 4-2.jpg
      千亿·国际(中国)唯一官方网站

      粒度信息图

  • SN0104

  • SN0104

    SN0104历经三年研发周期,最早应用于低硅动力电池项目。应用时在石墨中添加少量的本产品可以提高产品容量,并在循环性能方面实现2000次循环容量保存率达80%以上。

    • 千亿·国际(中国)唯一官方网站 循环性能(优异).svg

      循环性能优异

    千亿·国际(中国)唯一官方网站 5-20000.jpg
    千亿·国际(中国)唯一官方网站 5-5000.jpg
    千亿·国际(中国)唯一官方网站 5-1000.jpg
    • 20000 x

    • 5000 x

    • 1000 x

    • 3.7~7.7

      Dv50

    • 0.70~1.70

      BET

    • >0.0500

      Mn(wt%)

    • >0.0300

      Fe(wt%)

    • >0.0300

      Cu(wt%)

    • >0.0300

      Cr(wt%)

    • 54.00~63.70

      Si(wt%)

    • >56.0

      首效(wt%)

    • 1350.0~1625.0

      首放 (wt%)

    • 0.5 ~1.5

      C(wt%)

    手艺图表

    • 千亿·国际(中国)唯一官方网站 5-1.jpg
      千亿·国际(中国)唯一官方网站

      电性能图

    • 千亿·国际(中国)唯一官方网站 5-2.jpg
      千亿·国际(中国)唯一官方网站

      硅碳负极粒度图

千亿·国际(中国)唯一官方网站 b2icon06.svg

前驱体

  • 千亿·国际(中国)唯一官方网站 linsuantie-804.svg

    磷酸铁

  • 千亿·国际(中国)唯一官方网站 niemengqingyanghuawu.svg

    镍钴锰氢氧化物

  • FP0001

  • FP0002

  • FP0001

    FP0001是一款磷酸铁锂正极质料用前驱体产品。在碱沉工艺的基础上,千亿国际循环对产品质料和工艺举行突破性刷新,使其具备高比外貌积和低硫的典范特征。该产品高比表、低杂质含量、高振实密度,可知足高压实磷酸铁锂的需求,可抵达三代压实并靠近四代压实性能要求。 FP0001已被普遍应用于动力交通、电动工具、储能、通讯等领域,是制作磷酸铁锂正极质料的主要质料,正占有主流市场。

    • 千亿·国际(中国)唯一官方网站 产品高比表.svg

      高比表

    • 千亿·国际(中国)唯一官方网站 低杂质含量.svg

      低杂质

    • 千亿·国际(中国)唯一官方网站 高振实密度.svg

      高振实密度

    千亿·国际(中国)唯一官方网站 50000.jpg
    千亿·国际(中国)唯一官方网站 5000.jpg
    • 50000 ×

    • 5000 ×

    • 7.6±1

      BET(m2/g)

    • 36.60±0.15

      Fe含量( %)

    • 20.80±0.15

      P含量(%)

    • ≤500

      S含量(ppm)

    • 0.975±0.005

      Fe/P(摩尔比)

    手艺图表

    • 千亿·国际(中国)唯一官方网站 6-1.jpg
      千亿·国际(中国)唯一官方网站

      粒度漫衍图

  • FP0002

    FP0002是一款磷酸铁锂正极质料用前驱体产品。 千亿国际循环以废磷酸铁锂粉提锂后磷铁渣为质料,制备电池级磷酸铁。本产品具有工艺简朴、高振实密度、低本钱等优势,可知足高压实磷酸铁锂的需求,抵达二代和三代压实性能要求。 目今,该项产品被应用于动力交通、电动工具、储能、通讯等领域,是制作磷酸铁锂正极质料的主要质料,现在正占有主流市场。

    • 千亿·国际(中国)唯一官方网站 工艺简朴.svg

      工艺简朴

    • 千亿·国际(中国)唯一官方网站 高振实密度.svg

      高振实密度

    • 千亿·国际(中国)唯一官方网站 质料本钱低.svg

      低本钱

    千亿·国际(中国)唯一官方网站 1000.jpg
    • 1000 ×

    • 2-6

      BET(m2/g)

    • 36.60±0.15

      Fe含量(%)

    • 20.80±0.15

      P含量(%)

    • ≤500

      S含量(ppm)

    • 0.975±0.005

      Fe/P(摩尔比)

  • PH5003

  • PH5007

  • PH5503

  • PH6506

  • PH8302

  • PH8303

  • PH9203

  • PH9401

  • PH5003

    PH5003是一款中镍三元正极前驱体产品,镍含量为50%。目今主要应用于数码类或者小动力多晶的正极质料领域。主含量摩尔比可定向化设计。

    • 千亿·国际(中国)唯一官方网站 定向化设计.svg

      定向化设计

    千亿·国际(中国)唯一官方网站 7-10000.jpg
    千亿·国际(中国)唯一官方网站 7-1000.jpg
    • 10000 x

    • 1000 x

    • 10.0±1.0

      D50(μm)

    • 6.0±2.0

      BET(m2/g)

    • 50.0±0.5

      Ni(mol%)

    • 20.0±0.5

      Co(mol%)

    • 30.0±0.5

      Mn(mol%)

    手艺图表

    • 千亿·国际(中国)唯一官方网站 7-1.jpg
      千亿·国际(中国)唯一官方网站

  • PH5007

    PH5007是一款中镍小颗粒三元正极前驱体产品,镍含量为50%。目今主要应用于数码类或者动力单晶的正极质料领域。主含量摩尔比可定向化设计。

    • 千亿·国际(中国)唯一官方网站 定向化设计.svg

      定向化设计

    千亿·国际(中国)唯一官方网站 8-50000.jpg
    千亿·国际(中国)唯一官方网站 8-10000.jpg
    千亿·国际(中国)唯一官方网站 8-1000.jpg
    • 50000 x

    • 10000 x

    • 1000 x

    • 3.9±0.5

      D50(μm)

    • 9.0±3.0

      BET(m2/g)

    • 50.0±0.5

      Ni(mol%)

    • 20.0±0.5

      Co(mol%)

    • 30.0±0.5

      Mn(mol%)

    手艺图表

    • 千亿·国际(中国)唯一官方网站 8-1.jpg
      千亿·国际(中国)唯一官方网站

      粒度漫衍图

  • PH5503

    PH5503是一款中镍小颗粒三元正极前驱体产品,镍含量为55%。目今主要应用于动力单晶类正极质料领域。主含量摩尔比可定向化设计。

    • 千亿·国际(中国)唯一官方网站 定向化设计.svg

      定向化设计

    千亿·国际(中国)唯一官方网站 9-50000.jpg
    千亿·国际(中国)唯一官方网站 9-10000.jpg
    • 50000 x

    • 10000 x

    • 3.9±0.5

      D50(μm)

    • 9.0±3.0

      BET(m2/g)

    • 55.0±0.5

      Ni(mol%)

    • 12.0±0.5

      Co(mol%)

    • 33.0±0.5

      Mn(mol%)

    手艺图表

    • 千亿·国际(中国)唯一官方网站 9-1.jpg
      千亿·国际(中国)唯一官方网站

      粒度漫衍图

  • PH6506

    PH6506是一款中镍小颗粒三元正极前驱体产品,镍含量为65%。目今主要应用于动力单晶类正极质料领域。主含量摩尔比可定向化设计。

    • 千亿·国际(中国)唯一官方网站 定向化设计.svg

      可定向化设计

    千亿·国际(中国)唯一官方网站 10-50000.jpg
    千亿·国际(中国)唯一官方网站 10-10000.jpg
    千亿·国际(中国)唯一官方网站 10-1000.jpg
    • 50000 x

    • 10000 x

    • 1000 x

    • 3.8±0.4

      D50(μm)

    • 9.0±2.0

      BET(m2/g)

    • 65.0±0.5

      Ni(mol%)

    • 7.0±0.5

      Co(mol%)

    • 28.0±0.5

      Mn(mol%)

    手艺图表

    • 千亿·国际(中国)唯一官方网站 10-1.jpg
      千亿·国际(中国)唯一官方网站

      粒度漫衍图

  • PH8302

    PH8302是一款高镍三元正极前驱体产品,镍含量为83%,钴含量为12%。具备循环寿命长、能量密度高、清静性强、本钱低等优势,可知足高续航高清静性低本钱的需求。主含量摩尔比可定向化设计。

    • 千亿·国际(中国)唯一官方网站 b2_icon01.svg

      循环寿命长

    • 千亿·国际(中国)唯一官方网站 b2_icon02.svg

      能量密度高

    • 千亿·国际(中国)唯一官方网站 b2_icon03.svg

      清静性强

    • 千亿·国际(中国)唯一官方网站 质料本钱低.svg

      本钱低

    • 千亿·国际(中国)唯一官方网站 定向化设计.svg

      定向化设计

    千亿·国际(中国)唯一官方网站 11-50000.jpg
    千亿·国际(中国)唯一官方网站 11-10000.jpg
    千亿·国际(中国)唯一官方网站 11-1000.jpg
    • 50000 x

    • 10000 x

    • 1000 x

    • 10.0±1.0

      D50(μm)

    • 7.0±2.0

      BET(m2/g)

    • 83.0±0.5

      Ni(mol%)

    • 12.0±0.5

      Co(mol%)

    • 5.0±0.5

      Mn(mol%)

    手艺图表

    • 千亿·国际(中国)唯一官方网站 11-1.jpg
      千亿·国际(中国)唯一官方网站

  • PH8303

    PH8303是一款高镍三元正极前驱体产品,镍含量为83%,钴含量为12%。具备循环寿命长、能量密度高、清静性高、本钱低等优势,可知足高续航高清静性低本钱的需求。主含量摩尔比可定向化设计。

    • 千亿·国际(中国)唯一官方网站 b2_icon01.svg

      循环寿命长

    • 千亿·国际(中国)唯一官方网站 b2_icon02.svg

      能量密度高

    • 千亿·国际(中国)唯一官方网站 b2_icon03.svg

      清静性高

    • 千亿·国际(中国)唯一官方网站 质料本钱低.svg

      本钱低

    • 千亿·国际(中国)唯一官方网站 定向化设计.svg

      定向化设计

    千亿·国际(中国)唯一官方网站 12-50000.jpg
    千亿·国际(中国)唯一官方网站 12-10000.jpg
    千亿·国际(中国)唯一官方网站 12-1000.jpg
    • 50000 x

    • 10000 x

    • 1000 x

    • 3.8±0.4

      D50(μm)

    • 15.0±2.0

      BET(m2/g)

    • 83.0±0.5

      Ni(mol%)

    • 12.0±0.5

      Co(mol%)

    • 5.0±0.5

      Mn(mol%)

    手艺图表

    • 千亿·国际(中国)唯一官方网站 12-1.jpg
      千亿·国际(中国)唯一官方网站

      粒度漫衍图

  • PH9203

    PH9203是一款超高镍三元正极前驱体产品,镍含量为92%。具备循环寿命长、能量密度高、清静性强、情形友好等优势,可知足高续航里程需求。本产品是质料领域极具潜力的一款产品,已应用于高端电动汽车领域,是制作长续航电动汽车电池的主要质料。主含量摩尔比可定向化设计。

    • 千亿·国际(中国)唯一官方网站 b2_icon01.svg

      循环寿命长

    • 千亿·国际(中国)唯一官方网站 b2_icon02.svg

      能量密度高

    • 千亿·国际(中国)唯一官方网站 b2_icon03.svg

      清静性强

    • 千亿·国际(中国)唯一官方网站 情形友好.svg

      情形友好

    • 千亿·国际(中国)唯一官方网站 定向化设计.svg

      定向化设计

    千亿·国际(中国)唯一官方网站 PH9203-50000.png
    千亿·国际(中国)唯一官方网站 PH9203-10000 (1).png
    千亿·国际(中国)唯一官方网站 PH9203-5000 (1).png
    千亿·国际(中国)唯一官方网站 PH9203-1000 (1).png
    • 50000 x

    • 10000 x

    • 5000 x

    • 1000 x

    • 10.0±1.0

      D50(μm)

    • 8.0±2.0

      BET(m2/g)

    • 92.0±0.5

      Ni(mol%)

    • 5.0±0.5

      Co(mol%)

    • 3.0±0.5

      Mn(mol%)

    手艺图表

    • 千亿·国际(中国)唯一官方网站 13-1.jpg
      千亿·国际(中国)唯一官方网站

  • PH9401

    PH9401是一款超高镍小颗粒三元正极前驱体产品,镍含量为94%。现在主要应用于动力单晶类正极质料领域,主含量摩尔比可做定向化设计。

    • 千亿·国际(中国)唯一官方网站 定向化设计.svg

      定向化设计

    千亿·国际(中国)唯一官方网站 14-50000.jpg
    千亿·国际(中国)唯一官方网站 14-10000.jpg
    千亿·国际(中国)唯一官方网站 14-1000.jpg
    • 50000 x

    • 10000 x

    • 1000 x

    • 3.6±0.4

      D50(μm)

    • 16.0±2.0

      BET(m2/g)

    • 94.0±0.5

      Ni(mol%)

    • 4.0±0.5

      Co(mol%)

    • 2.0±0.5

      Mn(mol)

    手艺图表

    • 千亿·国际(中国)唯一官方网站 14-1.jpg
      千亿·国际(中国)唯一官方网站

      粒度漫衍图

千亿·国际(中国)唯一官方网站 kuangchanlei.svg

矿产品

  • 千亿·国际(中国)唯一官方网站 nietie.svg

    镍铁

  • FeNi20

  • FeNi20

    FeNi20是RKEF冶炼工艺直接产品。在RKEF冶炼工艺的基础上,千亿国际循环围绕镍铁精炼脱杂、镍铁制粉等偏向举行立异性研发突破,一连提升镍铁粉浸出率。 本产品在制备磷酸铁锂及三元质料方面具备性价比高、清静性强、应用规模广、品质优越、规模大、本钱低、情形友好等优势。 目今,该项产品已被普遍应用于不锈钢、特钢、耐热钢铸件领域,制备镍铁粉可用于磁性子料、催化剂、电镀等领域,是制作磷酸铁锂及三元前驱体的主要质料,占有制备磷酸铁、磷酸铁锂及三元质料领域主流市场。

    • 千亿·国际(中国)唯一官方网站 性价比高.svg

      性价比高

    • 千亿·国际(中国)唯一官方网站 清静性强.svg

      清静性强

    • 千亿·国际(中国)唯一官方网站 应用规模广.svg

      应用规模广

    • 千亿·国际(中国)唯一官方网站 b2icon01.svg

      品质优越

    • 千亿·国际(中国)唯一官方网站 质料本钱低.svg

      本钱低

    • 千亿·国际(中国)唯一官方网站 情形友好.svg

      情形友好

    千亿·国际(中国)唯一官方网站 lQDPJwfmkIHWsqvNAbjNBNiwhP0bOD_AtiUFlx-D0ix9AA_1240_440.jpg
    千亿·国际(中国)唯一官方网站 1-10000.jpg
    千亿·国际(中国)唯一官方网站 1-5000.jpg
    千亿·国际(中国)唯一官方网站 1-1000.jpg
    • 产品

    • 10000 ×

    • 5000 ×

    • 1000 ×

    • 1430~1480

      熔点(℃)

    • 8.1~8.4

      密度(g/cm3

    • 10~30

      Ni(%)

    • 1~3.6

      C(%)

    • <0.2

      Si(%)

    • <0.03

      P(%)

    • 0.2~0.5

      S(%)

千亿·国际(中国)唯一官方网站 huagongyan-430.svg

锂盐

  • 千亿·国际(中国)唯一官方网站 tansuan.svg

    碳酸锂

  • 千亿·国际(中国)唯一官方网站 qingyanghua.svg

    氢氧化锂

  • LC0101

  • LC0101

    LC0101是电池接纳转化的锂盐产品,接纳研发历程履历数年,制备出的产品杂质含量低、应用规模广,极具市场优势。产品普遍应用于智能手机、条记本电脑、电动汽车等领域,是制备锂离子电池的主要质料。

    • 千亿·国际(中国)唯一官方网站 低杂质含量.svg

      杂质含量低

    • 千亿·国际(中国)唯一官方网站 应用规模广.svg

      应用规模广

    千亿·国际(中国)唯一官方网站 2-10000.jpg
    千亿·国际(中国)唯一官方网站 2-5000.jpg
    千亿·国际(中国)唯一官方网站 2-2500.jpg
    • 10000 x

    • 5000 x

    • 2500 x

    • ≤0.25

      水分(%)

    • ≤0.50

      灼失率(%)

    • ≤200

      磁性异物(ppb)

    • ≥90.0

      白度

    • 4.1-6.6

      D50(μm)

    • <0.03

      P(%)

    • ≥99.55

      碳酸锂主含量(%)

  • LH0102

  • LH0102

    单水氢氧化锂是电池接纳的转化另一款主要锂产品,该产品是其它锂盐产品的主要质料,是制备三元正极质料的主要质料。

    • 千亿·国际(中国)唯一官方网站 应用规模广.svg

      应用规模广

    千亿·国际(中国)唯一官方网站 3-30000.jpg
    千亿·国际(中国)唯一官方网站 3-10000.jpg
    千亿·国际(中国)唯一官方网站 5000.jpg
    • 30000 x

    • 10000 x

    • 5000 ×

    • ≤75

      磁性异物(ppb)

    • ≤800

      D50(um)

    • ≥16.47-16.90

      Li含量(%)

我们谛听您的声音

网站地图